汽车12V系统到汽车48V系统全适用
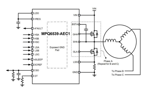
上海2025年8月11日 /美通社/ — MPS芯源系统(NASDAQ代码:MPWR)近日发布的新产品MPQ6539-AEC1,是一款专为三相无刷直流(BLDC)电机驱动器而设计的栅极驱动器IC,其输入电压高达80V,可驱动由六个N沟道功率MOSFET组成的三个半桥的车规级栅极驱动器。MPQ6539-AEC1适用于汽车泵、电动升降尾门、电动天窗、电动座椅调节等汽车车身电机控制应用。
此外,MPQ6539-AEC1可驱动由四个N沟道功率MOSFET组成的一个H桥的车规级栅极驱动器。将两颗MPQ6539-AEC1级联,可驱动由十二个N沟道功率MOSFET组成的三个H桥的车规级栅极驱动器,满足三个直流有刷电机(BDC)的驱动需求。
MPQ6539-AEC1产品核心优势
MPQ6539-AEC1支持8V至80V宽输入电压范围,全面兼容12V、24V、48V汽车电气架构,适配不断演进的新能源汽车供电系统。
MPQ6539-AEC1可通过串联外部电阻参数调整死区时间(DT)以及外部MOSFET的过流保护阈值,使汽车电机应用设计更灵活,可靠性更高。
MPQ6539-AEC1内置电流检测放大器,集成电荷泵支持100%占空比,并且采用QFN (4mm x 5mm)小封装设计,可极大程度节省PCB面积和外部元器件,从而节省BOM成本。
针对汽车无刷直流电机(BLDC)栅极驱动器应用,MPS能够提供多款解决方案以满足不同的规格需求,助力实现从汽车12V系统供电电池到汽车48V系统过渡。
Part Number
VIN Range (V)
VSW (Max) (V)
Number of Half-bridge
ISINK/SOURCE (A)
Input Control Logic
Current-Sense Amp
Package
MPQ6539
8 – 80
80
3
1/0.8
HSx & LSx
Integrated
(1 Channel)
QFN-28 (4×5) WF
MPQ6533
6 – 40
40
3
1/1
SPI
Integrated
(1 Channel)
QFN-32 (5×5) WF
MPQ6532
5 – 60
60
3
1/0.8
PWM & DIR;
3x Hall Inputs
External
QFN-28 (4×5) WF
MPQ6531
5 – 60
60
3
1/0.8
HSx & LSx
External
QFN-28 (4×5) WF
MPQ6530
5 – 60
60
3
1/0.8
PWMx & Enx
External
QFN-28 (4×5) WF
MPQ1923
5 – 17
100
1
8/7
INH & INL
External
QFN-10 (4×4)
MPQ1922
5 – 15
100
1
4/3
ENBL & INH & INL
Integrated
(1 Channel)
QFN-22 (4×5) WF
MPS车规级栅极驱动器系列产品
MPQ6539-AEC1产品主要特性
8V至80V宽输入电压范围
支持最大100V自举(BST)电压
0.8A/1A拉电流/灌电流(驱动电流)
内部集成LDO可驱动外部NPN三极管,以满足大电流驱动应用
低功耗睡眠模式电流低至10uA
集成电流检测放大器
支持每路半桥上下管单独控制的输入逻辑接口
具备完善的保护功能,例如可调的死区时间控制、可配置的过流保护、过温保护、欠压锁定和故障上报等
采用紧凑型QFN-28(4mmx5mm)封装,带可润湿侧翼
符合AEC-Q100车规级认证
MPQ6539-AEC1产品购买与技术支持
MPQ6539-AEC1及其评估板EVQ6539-V-00A均可在MPS官网直接购买。同时,欢迎访问https://www.monolithicpower.cn/contact_npi咨询更多产品详情,获取丰富的技术资源支持。
MPS公司简介
Monolithic Power Systems, Inc. (MPS) 是一家全球领先的半导体公司,专注于基于芯片的高性能电源解决方案。MPS 的使命是减少能源和材料消耗,从各方面改善生活质量。公司于 1997 年由 CEO Michael Hsing 成立,拥有三大核心优势:深厚的系统级知识、卓越而专业的半导体设计能力、专有的半导体工艺、系统集成技术及创新能力。这些综合优势使 MPS 能够为客户提供可靠、紧凑和单片集成的解决方案,使其产品更节能、更经济,同时也为我们的股东带来持续的投资回报。更多 MPS 信息,请访问 www.monolithicpower.cn 或各地办事处。
